Impianto di Garmisch utilizzato per la pista di discesa libera
della Coppa del Mondo (Kandahar)





DESCRIZIONE SINTETICA DELL'OPERA

Uno degli elementi principali degli impianti 2S (2 Seile = 2 funi = 1 fune portante + 1 fune traente) ad agganciamento automatico e' la morsa. Tale dispositivo consente l'agganciamento e quindi il serraggio del veicolo all'anello trattivo. Questi impianti sono all'avanguardia in tutto il mondo in quanto dotati di moderne tecnologie e capaci di potenzialita' orarie di trasporto mai raggiunte con un impianto di risalita (sino a 3500 persone/ora). Questa tipologia di impianto viene progettata e realizzata completamente in Italia, a Lana (BZ), e viene messa a disposizione della Doppelmayr nel mondo. Il primo impianto di questo tipo e' stato realizzato a fine 2002 a Garmisch in Germania. Il modello di calcolo della morsa e' stato svolto con Straus7.










 

CARRELLO E MORSA 2S

PER IMPIANTI 2S

AD AMMORSAMENTO AUTOMATICO

CON FUNE PORTANTE E FUNE TRAENTE

 

RELAZIONE

 

 

 

 

DICEMBRE 2000

 

 

 

DESCRIZIONE e motivazioni costruttive

 

Descrizione generale

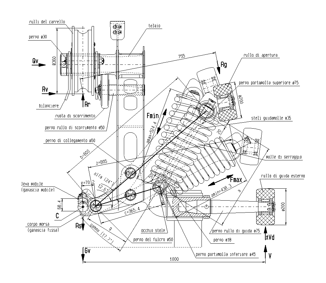
Il carrello a 4 rulli e' costituito principalmente da un telaio portante saldato, posizionato assimetricamente sul lato esterno della linea, dal quale sporgono due tubi trasversali alla linea fungenti come assi per i due bilancieri con rispettivi rulli. Nella zona centrale del telaio e' attaccata inferiormente una morsa singola, a due molle ad elica di tipologia e costruzione del tutto similare a quella delle morse singole per impianti monofune. Il perno principale per la sospensione forma corpo unico con il corpo morsa (vedi fig. 1).

Scelte costruttive

Nelle scelte costruttive e' stato cercato di favorire la semplicita', attraverso la limitazione del numero di elementi vitali ed al loro facile assemblaggio, oltre che ovviamente la sicurezza funzionale. Nella costruzione sono stati infatti applicati i seguenti criteri:

  • E' stato scelto un sistema con morsa unica, evitando cosi' per la ridotta larghezza delle ganasce un costruttivamente impegnativo bilanciamento del carico fune traente sul carrello stesso. Inoltre il numero di elementi vitali e' rimasto cosi' notevolmente limitato, favorendo sia la manutenzione che i controlli.

  • Per garantire la massima stabilita' dei rulli sulla fune portante, i bilancieri sono eseguiti rigidi intorno al loro asse verticale, limitando cosi' notevolmente la possibilita' di scarrucolamento del carrello stesso.

  • Gli elementi rotativi in materiale plastico sono stati eseguiti in modo che una usura precoce o addiritura un loro cedimento non implichi malfunzionamenti. Infatti nel caso dei rulli del carrello la rotazione dei bilancieri intorno all'asse trasversale alla linea e' stata limitata a quanto neccessario durante il transito, garantendo cosi' anche con rullo danneggiato od addirittura perso una corretta guida sui rimanenti 3 rulli. Analogamente per il rullo di apertura e' previsto sulla ganascia mobile un "naso" posto appena sotto il livello periferico del rullo, che funge come battuta in caso di mancanza di esso. Guida analoga e' prevista per il rullo esterno, inserita nella struttura della stazione.

  • Il numero di elementi saldati e' stato ridotto al minimo, ovvero bilanciere e telaio
  • Gli elementi saldati sono eseguiti senza saldature vitalisollecitate a trazione
  • Sono stati utilizzati solo collegamenti di forma semplici, senza collegamenti bullonati, a meno del fissaggio dei collegamenti di forma.
  • La morsa e' eseguita concettualmente identica a quelle monofune Agamatic, di affermata affidabilita'.
  • Le ganasce della morsa formano corpo unico con le leve fino al gruppo molle, in modo da garantire una applicazione diretta dello sforzo molle alle ganasce stesse.

  • La conformazione delle ganascie e' tale da fissare la uscita della fune traente in stazione in orizzontale, verso il centro della linea. In questo modo il perno del fulcro morsa si trova al lato della fune e di conseguenza il profilo sotto fune delle ganasce risulta notevolmente ridotto, minimizzando cosi' il sollevamento della fune traente durante il passaggio sui sostegni, e minimizzando con cio' anche la deviazione fune ed il carico di sollevamento stesso.
  • Nella parte curva del giro stazione il carrello viene sostenuto dalle due ruote di guida, calettate mediante perno al telaio.

Elementi costruttivi, materiali e connessioni

Gli elementi costruttivi, i loro materiali e le connessioni tra essi verranno di seguito esplicati in dettaglio (vedi fig. 1):

  • 4 rulli del carrello f 360.
  • I due bilancieri
  • Il telaio.

  • Il meccanismo di ammorsamento stesso ha essenzialmente le fattezze di una pinza, ossia di una sistema di due leve vincolate l'una all'altra da una cerniera intermedia, le quali serrano fra di loro, da una parte del fulcro, la fune p.t., in ragione di una spinta di allontanamento reciproco esercitata sulle leve medesime da una coppia di molle ad elica situate dall'altra parte del fulcro. Esso e' costituito dai seguenti elementi:

  • Il corpo morsa, che funge sia da perno principale per la sospensione che da ganascia fissa e leva per il sistema di ammorsamento. E' costituito in stretta analogia alle morse per monofune, dal perno principale, che verso il lato fune traente si divide in due braccia, i quali anteriormente contengono il foro centro del fulcro principale della morsa. Agli estremi, oltre il centro, le due braccia formano appunto le ganasce fisse della morsa stessa.

  • La leva mobile della morsa é costituita da una lunga barra in acciaio. La leva presenta una rilevante piegatura prima del fulcro, vicino all'estremità conformata a ganascia mobile ed e' posizionata tra le braccia della leva fissa. La estremita' opposta della leva e' collegata con il glifo di un manovellismo, piu' oltre illustrato, esercitante sulla leva lo sforzo delle molle di serraggio della morsa.
  • La parte terminale della leva mobile sostiene a sbalzo il rullo di apertura, destinato ad accoppiarsi, nelle stazioni, con le guide di apertura e di chiusura della morsa.
  • Il fulcro - realizzante, tramite il perno del fulcro f 50 in 34CrNiMo6, il vincolo mutuo della leva con la forcella del corpo - giace sullo stesso piano contenente anche l'asse della fune.

  • Il gruppo molle e' costituito dagli seguenti elementi:

  • Due molle di serraggio.

 

FIG. 1

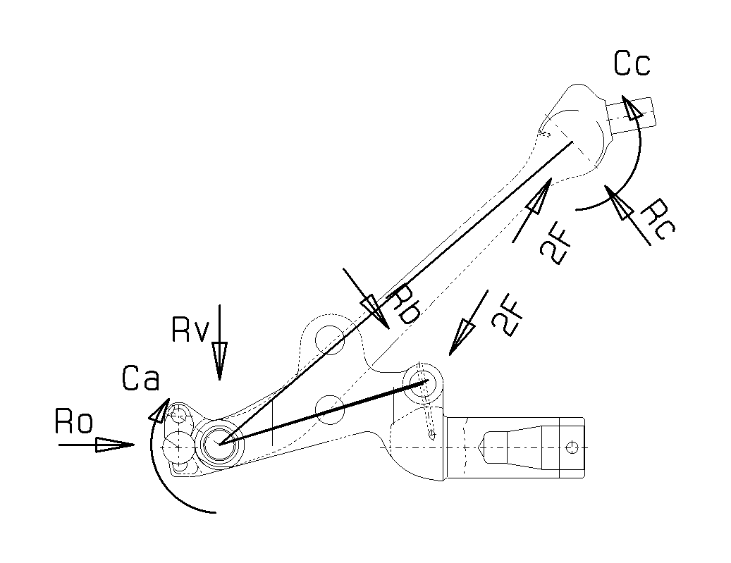
Condizioni di carico

Durante un viaggio intero del veicolo vengono passate le fasi sotto elencate. Dapprima verranno pero' descritte le posizioni fondamentali assunte dalla morsa:

Il cinematismo della morsa composto dalla leva mobile, dagli steli guida-molle e dal glifo (realizzanti, in senso stretto, un manovellismo cosiddetto a glifo rotante) - puo' assumere, in assenza di azioni sul rullo di apertura della morsa, le due seguenti configurazioni fondamentali di equilibrio :

  • Configurazione di morsa chiusa su fune, nella quale la spinta esercitata dalle molle sulla leva mobile, amplificata secondo il rapporto dei relativi bracci d'azione, si traduce in pressione di serraggio della ganascia mobile sulla fune p.t. , equilibrando la spinta uguale e contraria esercitata sulla fune medesima dalla ganascia fissa.

  • Configurazione di morsa chiusa senza fune o a riposo nel giro stazione, nella quale, stante il disaccoppiamento delle ganasce dalla fune p.t., i piattelli scorrevoli delle molle si portano a fine corsa sui relativi steli di guida, talche' la spinta di queste ultime va a scaricarsi direttamente su di essi, senza interessare ne' il corpo ne' la leva mobile della morsa.

Giro stazione e lancio

L'accelerazione e la decelerazione del veicolo, rispettivamente prima del serraggio e dopo il disaccoppiamento della morsa dalla fune, sono impresse da una serie di ruote gommate in rotazione sincrona col moto della fune, le quali agiscono su una apposita piastra longitudinale, solidale col corpo della morsa.

Mentre nella fase rettilinea del giro stazione, compreso la fase di accoppiamento, il carrello scorre sui rulli del carrello, nella fase lenta curva esso sara' sostenuto da due rulli di scorrimento.

Apertura e chiusura morsa

L'apertura e la chiusura della morsa vengono comandate, per mezzo di una apposita guida di stazione, che agendo superiormente sul rullo portato dalla leva mobile, ne determina lo spostamento verso il basso ovvero verso l'alto, rispettivamente vincendo o assecondando la spinta esercitata dalle molle su detta leva. Quando il rullo viene abbassato rispetto alla posizione che esso presenta nelle condizioni di morsa serrata sulla fune t., ha inizio l'allontanamento delle ganasce dalla fune medesima. Ovviamente, quando a partire da tale configurazione estrema, la guida di stazione permette al rullo della leva mobile di riportarsi nuovamente in alto, sotto la spinta delle molle, le ganasce della morsa si avvicinano l'una all'altra fino a serrare fra di loro la fune t., se quest'ultima viene a trovarsi interposta fra le stesse (il che avviene in fase di lancio dei veicoli), ovvero fino a che il manovellismo di serraggio raggiunge la configurazione di morsa a riposo, se le ganasce risultano disaccoppiate dalla fune medesima (il che avviene durante il giro di stazione dei veicoli).

I carichi sul rullo di apertura vengono scaricati dal carrello sul rullo di guida esterno oltre che in minima parte sui rulli del carrello.

Veicolo in entrata /uscita stazione

Il veicolo passa da una situazione di libera oscillazione intorno all'asse fune in linea a quella totalmente guidata in fase di apertura /chiusura attraverso la canalizzazione del rullo esterno nella guida esterna, formata inizialmente ad imbuto. Tale canalizzazione viene talvolta assecondato da guide ausiliare poste sotto le fune, che limitano la oscillazione laterale dell' asta di sospensione.

In ogni caso vi sono sforzi dinamici sul carrello, che verranno valutati convenzionalmente come aumentati sforzi peso. Per il rullo esterno vi sara' applicata nella verifica un carico verticale fittizio convenzionale.

Durante il passaggio della rulliera di ritenuta di entrata stazione vi sono carichi verticali abbassanti sul carrello, dato che durante il passaggio il carrello costringe la fune di alzarsi lievemente, in opposizione ai rulli molleggiati di ritenuta.

Veicolo in campata

In tal caso sul carrello agiscono, oltre al carico peso, in particolare con fune traente poco tesa, un sovraccarico dato dal parziale sostenimento di tale fune. Inoltre vi sono i carichi vento su fune traente e veicolo.

Veicolo su sostegno

Durante il passaggio sul sostegno la fune traente verra' alzata dal carrello dai rulli di appoggio della scarpa. Ai carichi peso vi saranno sommati percio' quelli di sollevamento fune.

FIG. 2

 

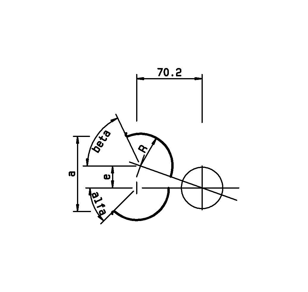
APERTURA MASSIMA DELLA MORSA

 

FIG.3



I modelli di calcolo della morsa in Straus7

















                  

Straus7 e' distribuito in Italia da HSH srl - Padova - Tel. 049 663888 - Fax 049 8758747



                        

Per richiedere la scheda tecnica e il listino di Straus7 UN CLICK QUI